XL L H XH XXH XXL inch Timing Belt compared with similar products on the market, it has incomparable outstanding advantages in terms of performance, quality, appearance, etc., and enjoys a good reputation in the market.Yonghang summarizes the defects of past products, and continuously improves them. The specifications of XL L H XH XXH XXL inch Timing Belt can be customized according to your needs.
Colour:red/ grey /white/ transparent
Shore hardness (A): 90° Shore A
Cords:steel/ kevlar
Width:5-400mm
Length: customization
Joint:Open/Endless with joint/Seamless (moulded)
Working temperature:- 20℃ - 80℃
XL L H XH XXH XXL inch Timing Belt made of polyurethane material, the belt can be jointed belt or seamless belt, with steel wire core (or Kevlar core), the tooth surface can be added with green cloth, which can effectively reduce noise.
or the coefficient of friction can be changed by adding coverings to the surface, sponges, Stripes,perforations, grooves, etc.
Imperial pitch PU Timing Belt Data Sheets
| Trapezoidal Profile | MXL | XXL | XL | L | H | XH | XXH |
| Tooth Pitch t [in] | 0.08″ | 0.125″ | 0.2″ | 0.375″ | 0.5″ | 0.875″ | 1.25″ |
| Belt Thickness H [in] | 0.0449″ | 0.0598″ | 0.09″ | 0.142″ | 0.169″ | 0.441″ | 0.618″ |
| Tooth Height h1 [in] | 0.02″ | 0.03″ | 0.05″ | 0.07″ | 0.09″ | 0.25″ | 0.375″ |
| Tooth width S [mm] | 0.005″ | 0.005″ | 0.015″ | 0.02″ | 0.04″ | 0.062″ | 0.09″ |
| Root radius R | 0.005″ | 0.008″ | 0.015″ | 0.02″ | 0.04″ | 0.047″ | 0.06″ |
| Tooth width S [in] | 0.0449″ | 0.068″ | 0.101″ | 0.183″ | 0.241″ | 0.495″ | 0.75″ |
| Tooth Angle 2β [°] | 40 | 50 | 50 | 40 | 40 | 40 | 40 |
| Rotational Speed | approx.10000ft/min | approx.10000ft/min | approx. 10000ft/min | approx.7800ft/min | approx.7000ft/min | approx.5000ft/min | approx.4900ft/min |
| Peripheral Speed | approx.50 m/s | approx.50 m/s | approx.50 m/s | approx.40~50m/s | approx.40m/s | approx.30m/s | approx.25-30 m/s |
| Ultimate Tensile Strength [N/10mm belt width] | 1000 | 1200 | 1230 | 2450 | 3750 | 6000 | 11450 |
DL Double-sided tooth pu timing belts Data Sheets


| type | g(mm) | H(mm) | pitch length(mm) | teeth |
| D-XL | 0.508 | 3.05 | 355.6-5405.12 | 70~1064 |
| D-L | 0.762 | 4.58 | 514.35-80000.00 | 54~ |
| D-H | 1.372 | 5.95 | 520.70-80000.00 | 41~ |
| D-XH | 2.794 | 15.49 | 1778.00-80000.00 | 80~ |
| D-XXH | 3.048 | 22.11 | 1778.00-6667.5 | 56~210 |
MXL Profile Tooth figure


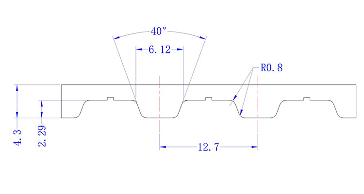
XL Profile Tooth figure

XL Profile PU timing belts with kevlar

L Profile Tooth figure



H Profile Tooth figure

XH Profile Tooth figure


XXH Profile Tooth figure


PAZ PAR and coating










Contact Details